Запасные части ЧТЗ Запасные части ЧТЗ
Ленск
Например:
Актобе
Алдан
или
Выбрать автоматически
Актобе
Алдан
Алматы
Алчевск
Архангельск
Астана
Астрахань
Атырау
Баку
Балашиха
Барнаул
Белгород
Бердянск
Бишкек
Владивосток
Владикавказ
Воркута
Воронеж
Горловка
Грозный
Донецк
Екатеринбург
Иваново
Ижевск
Иркутск
Казань
Калининград
Каменск-Уральский
Караганда
Каховка
Кемерово
Киров
Комсомольск-на-Амуре
Костанай
Краснодар
Красноярск
Красный луч
Ленск
Луганск
Магадан
Магнитогорск
Макеевка
Махачкала
Мелитополь
Минск
Мирный (Якутия)
Москва
Мурманск
Нерюнгри
Нижневартовск
Нижний Новгород
Нижний Тагил
Новая каховка
Новокузнецк
Новосибирск
Новый Уренгой
Норильск
Ноябрьск
Нур-Султан
Омск
Оренбург
Ош
Павлодар
Пермь
Петрозаводск
Петропавловск
Петропавловск-Камчатский
Псков
Ростов-на-Дону
Салехард
Самара
Санкт-Петербург
Саратов
Севастополь
Семей
Симферополь
Сочи
Ставрополь
Сургут
Сыктывкар
Тараз
Ташкент
Токмак
Томск
Тында
Тюмень
Ульяновск
Усинск
Усть-Каменогорск
Уфа
Хабаровск
Ханты-Мансийск
Херсон
Челябинск
Чита
Шымкент
Экибастуз
Энергодар
Южно-Сахалинск
Якутск
Ваш город
Ленск
Войти
Запасные части к тракторам на одном сайте
+7 (932) 303-00-10
+7 (932) 303-00-10
г. Ленск, ул. Пролетарская, д. 26/3
Пн-Пт: 9:30-18:30 Cб-Вс: Выходной
Отправить заявку


Сервомеханизм муфты сцепления на Т-170


/
с НДС 20%
Описание
Сервомеханизм муфты сцепления Т-170
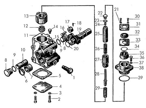
Поз.НаименованиеАртикулКол-во в сборке
0Клапан50-15-146СП1
0Корпус50-15-120СП1
0Поршень50-15-145СП1
0Сервомеханизм 50-15-118СП1
1Болт полый 700-41-33061
2БолтМ10Х20.58.0194
3Кольцо 409124
4Крышка24-15-141
5Прокладка700-40-72061
6Заглушка02951
7Втулка 50-15-621
8Пробка18-17-1042
9Кольцо 467642
10Золотник35-15-131
11Корпус50-15-641
12Пята24-15-801
13Поршень50-15-1131
14Болт284581
15Кольцо 409201
16Палец173171
17Ролик24-15-111
18Шплинт3,2Х221
19Вал 50-15-631
20Кольцо 700-40-7374
Кольцо Н1 35x28
1
21Шайба6Т65Г094
22Пробка24-15-771
23Кольцо 51-06-82
24Стопор50-15-391
25Шток50-15-371
26Пружина700-38-24611
27Клапан50-15-1141
28Стержень50-15-381
29Пружина700-38-24621
30БолтМ6Х16.58.0194
31Крышка 21-15-1261
32Воротник 700-40-40321
33Пластина21-15-1271
34Кольцо 465881
35Манжета 3-48x28-61
36БолтМ10Х30.58.0194
37Шайба 10 ОТ 65Г4
38Крышка50-15-331
39Кольцо 700-40-73751
Сервомеханизм муфты сцепления